Account
ENGLISH
简体中文
Home
About
News
Products
Jobs
Download
Message
Contact Us
-Select-
Products
News
Download
Others
PRODUCTS
Rotary potentiometer
Precision Potentiometer
All kinds of knob
Rotary Route Switches
Home
Products
All kinds of knob
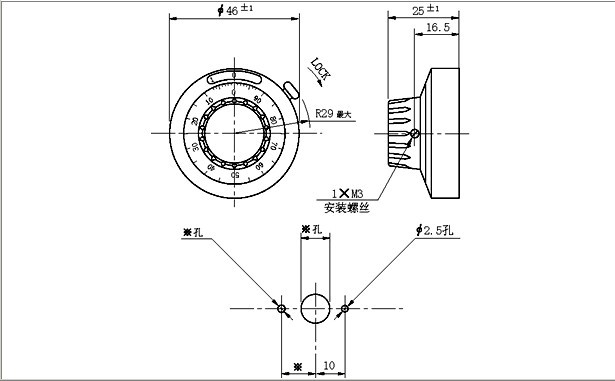
Product Name : B2
Item# : B2
Model : B2
Last update : 2011.06.18
Manufacturer : TOPVR
| Clicks:4145